| Sign In | Join Free | My xpshou.com |
|
Brand Name : trusTec
Model Number : SB220 THRU SB2200
Certification : ROHS
Place of Origin : China
MOQ : 3K PCS
Price : Negotiable (EXW/FOB/CNF)
Payment Terms : T/T
Supply Ability : 800KK PCS per month
Delivery Time : 10 work days fresh products
Packaging Details : 3K PCS per tape & box, 30K PCS per carton.
Max. forward current : 2A
Max. reverse voltage : 20V - 200V
Max. forward voltage : 0.95V
Max. reverse current : 0.5mA
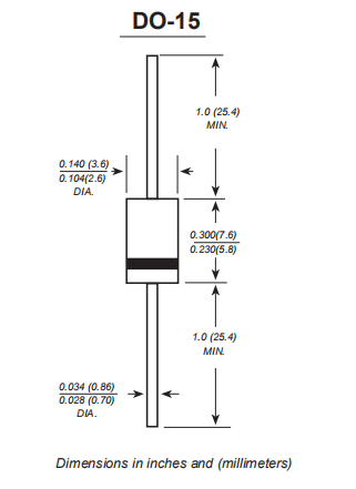
Package : DO-15
Type : Schottky Diode
Product Drawing

| SYMBOLS | SB 220 | SB 230 | SB 240 | SB 250 | SB 260 | SB 270 | SB 280 | SB 290 | SB 2100 | SB 2150 | SB 2200 | UNITS | |
| Maximum repetitive peak reverse voltage | VRRM | 20 | 30 | 40 | 50 | 60 | 70 | 80 | 90 | 100 | 150 | 200 | VOLTS |
| Maximum RMS voltage | VRMS | 14 | 21 | 28 | 35 | 42 | 49 | 56 | 63 | 70 | 105 | 140 | VOLTS |
| Maximum DC blocking voltage | VDC | 20 | 30 | 40 | 50 | 60 | 70 | 80 | 90 | 100 | 100 | 200 | VOLTS |
| Maximum average forward rectified current 0.375”(9.5mm) lead length(see fig.1) | I(AV) | 2.0 | Amp | ||||||||||
| Peak forward surge current 8.3ms single half sine-wave superimposed on rated load (JEDEC Method) |
IFSM | 60.0 |
Amps | ||||||||||
| Maximum instantaneous forward voltage at 2.0A | VF | 0.55 | 0.70 | 0.85 | 0.95 | Volts | |||||||
| Maximum DC reverse current TA=25℃ at rated DC blocking voltage TA=100℃ | IR | 0.5 | 0.2 | mA | |||||||||
| 10.0 | 5.0 | 2.0 | |||||||||||
| Typical junction capacitance (NOTE 1) | CJ | 220 | 80 | pF | |||||||||
| Typical thermal resistance (NOTE 2) | RqJA | 50.0 | ℃/W | ||||||||||
| Operating junction temperature range | TJ | -65 to +125 | -65 to +150 | ℃ | |||||||||
| Storage temperature range | TSTG | -65 to +150 | ℃ | ||||||||||






|
|
SB280 SB2100 Sb260 Schottky Diode Replacement 2A 20V To 200V DO 15 Images |